4dhcpmingchen
Your location  Home -> Product  ->  Switch  ->  TACT SWITCH  ->  Tap switch TS-1134
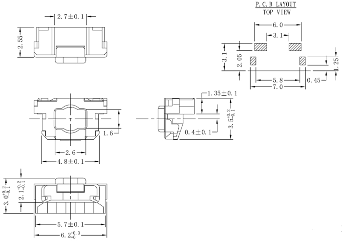
Tap switch TS-1134

Tap switch TS-1134

Dongguan Hooya Electronics CO.,LTD. Copyright 2025 All rights reserved Back to top

Tel

Dylan

+86 180-2519-2881

Tel

Jesse

+86 180-2519-5886

E_mail